Bernardo Rundtisch / Schwenktisch / Kreuztisch Horizontal- und Vertikalrundtisch HV 12
Statt: 845,00 € Ursprünglicher Preis war: 845,00 €Preis: 734,50 €Aktueller Preis ist: 734,50 €. inkl. MwSt
zzgl. Versandkosten
✓ Einsatz bei Fräs- und Bohrarbeiten
✓ Tischplatte aus hochwertigem Meehaniteguß
✓ Schneckenwelle gehärtet und geschliffen
✓ Klemmung der Tischplatte durch Klemmhebel
✓ Übersetzung im Schneckengetriebe 90:1
Nicht vorrätig
Aktivieren Sie die "Kaufglocke": Lassen Sie sich benachrichtigen, sobald das Produkt wieder verfügbar ist. Bitte geben Sie Ihre E-Mail-Adresse ein.
Bernardo Horizontal- und Vertikalrundtisch HV 12
Dieses Produkt verfügt über einen Tischdurchmesser von 300 mm, eine Übersetzung von 90:1, einen Morsekegel MK 4 und 6 T-Nuten. Es hat eine maximale Tragkraft von 120 kg horizontal und 60 kg vertikal. Es ist aus hochwertigem Meehaniteguss hergestellt und ideal für Fräs- und Bohrarbeiten auf Horizontal- oder Vertikalfräsmaschinen und Bohrmaschinen.
Eigenschaften Bernardo Horizontal- und Vertikalrundtisch HV 12
- Einsetzbar bei Fräs- und Bohrarbeiten auf Horizontal- oder Vertikalfräsmaschinen, Bohrmaschinen usw.
- Die Tischplatte ist aus hochwertigem Meehaniteguß hergestellt
- Schneckenwelle gehärtet und geschliffen, Schneckenrad aus Spezialguß
- Klemmung der Tischplatte erfolgt durch zwei Klemmhebel
- Übersetzung im Schneckengetriebe 90:1
- Grad-Teilarbeiten über Skalentrommel mit verstellbarem Nonius
- Direkt-Teilarbeiten über die am Tisch angebrachte 360° Skala
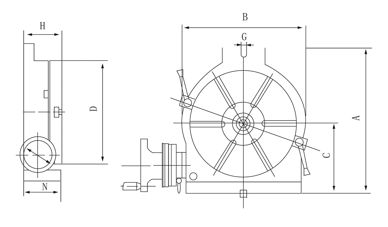
Technische Spezifikationen Bernardo Horizontal- und Vertikalrundtisch HV 12
|
Tischdurchmesser |
300 mm |
|
Übersetzung |
90:1 |
|
Morsekonus |
MK 4 |
|
Anzahl T-Nuten |
6 Stk. |
|
Max. Tragkraft horizontal |
120 kg |
|
Max. Tragkraft vertikal |
60 kg |
|
A |
388 mm |
|
B |
330 mm |
|
C |
195 mm |
|
D |
300 mm |
|
E |
16 mm |
|
G |
18 mm |
|
H |
135 mm |
|
N |
133 mm |
|
Gewicht ca. |
71 kg |
Lieferbedingungen
Nach Erhalt der Bestellung wird Ihre Bestellung sofort von unserem Team bearbeitet. Bei einer Bestellung im Onlineshop können Sie die Lieferung an eine von Ihnen genannte Adresse auswählen. Derzeit liefern wir nur innerhalb der Europäischen Union.
Kosten der Lieferung
Österreich und Deutschland
Die entstehenden Versandkosten werden bei TTOOLS durch Kombination verschiedener Merkmale wie z.B.: Größe, Gewicht, Manipulationsaufwand (Sperrgut) und Entfernung berechnet. Der Preis der Versandkosten wird für jeden Artikel beim Bestellvorgang und nach Abschluss der Bestellung angezeigt.
EU
Paketversand: auf Anfrage
Spedition: auf Anfrage
Lieferung durch unsere eigenen Lieferanten:
Bei Lieferung erfolgt die Zustellung bis zur Bordsteinkante. Der Kunde hat für Zugänglichkeit des Lieferortes Sorge zu tragen. Im Falle einer unzustellbaren Lieferung müssen wir die entstandenen Kosten für weitere Zustellversuche weiterverrechnen.
Im Falle einer Rücksendung kontaktieren Sie bitte unbedingt vorab unseren Kundendienst. Rücksendungen an unsere Büroadresse können weder entgegengenommen, noch vergütet werden.
Die Frist ist gewahrt, wenn Sie die Waren vor Ablauf der Frist von vierzehn Tagen absenden. Sie tragen die unmittelbaren Kosten der Rücksendung der Waren. Im Falle von Großgeräten und nicht paketversandfähigen Waren, kontaktieren Sie bitte vor der Rücksendung den Kundendienst von Ttools unter [email protected] oder unter der Telefonnummer +43 (0) 1 321 0017, damit die Rücksendung organisiert werden kann. Die Kosten für die Rücksendung der Ware sind von Ihnen zu tragen bzw. zu ersetzen. Darunter sind die Transportkosten zu verstehen und zwar auch dann, wenn die Zustellung gratis erfolgte. Ttools ist dabei immer bemüht den für den Kunden günstigsten Rücktransport zu organisieren.
Haben Sie Fragen, die unsere Lieferservice Abteilung nicht beantworten konnte?
Dann können Sie uns telefonisch von MO-DO zwischen 7:30 bis 18:00 Uhr, und FR von 7:30 bis 15:00 unter der Tel. Nummer +43 (0) 1 321 0017 erreichen. Gerne können Sie uns eine E-Mail an [email protected] senden.
Ähnliche Produkte
Kapp-/Gehrungssäge KGZ 3050 Vario
Holzmann Diamantersatzblatt 2tlg. DBS125DIAM

Rezensionen
Es gibt noch keine Rezensionen.