Bernardo Planscheibe Planscheibe K72-1250/D15
Statt: 13.428,00 € Ursprünglicher Preis war: 13.428,00 €Preis: 11.973,30 €Aktueller Preis ist: 11.973,30 €. inkl. MwSt
zzgl. Versandkosten
✓ Vierbacken-Planscheibe in Guss
✓ Camlock-Direktaufnahme nach DIN 55029
✓ Individuell verstellbare Spannbacken
✓ T-Nuten ab Durchmesser von 300 mm
✓ Inklusive harte, einteilige Backen
Nicht vorrätig
Aktivieren Sie die "Kaufglocke": Lassen Sie sich benachrichtigen, sobald das Produkt wieder verfügbar ist. Bitte geben Sie Ihre E-Mail-Adresse ein.
Bernardo Planscheibe K72-1250/D15
Die Vierbacken-Planscheibe in Gussausführung mit der Futtergröße 1250/D15, einem Durchmesser von 1250 mm und einem Gewicht von ca. 835 kg verfügt über eine Camlock-Direktaufnahme nach DIN 55029 und ist ideal zum Spannen von asymmetrischen und rechteckigen Werkstücken auf Drehmaschinen geeignet.
Eigenschaften Bernardo Planscheibe K72-1250/D15
Ausführung:
- Vierbacken-Planscheibe in Gussausführung
- Mit Camlock-Direktaufnahme nach DIN 55029
- Vier einzeln verstellbare Spannbacken
- Ab einem Durchmesser von 300 mm sind T-Nuten eingefräst
- Inklusive 1 Satz harte, einteilige Backen
Anwendungsbereich:
- Geeignet zum Spannen von asymmetrischen und rechteckigen Werkstücken auf Drehmaschinen
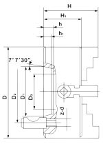
Technische Spezifikationen Bernardo Planscheibe K72-1250/D15
|
Futtergröße |
1250/D15 |
|
D – Durchmesser |
1250 mm |
|
Kegel |
15 |
|
D1 (max.) |
285,77 mm |
|
D2 |
330,2 mm |
|
D3 |
280 mm |
|
H1 |
165 mm |
|
Max. Drehzahl |
180 U/min |
|
Gewicht ca. |
835 kg |
Lieferbedingungen
Nach Erhalt der Bestellung wird Ihre Bestellung sofort von unserem Team bearbeitet. Bei einer Bestellung im Onlineshop können Sie die Lieferung an eine von Ihnen genannte Adresse auswählen. Derzeit liefern wir nur innerhalb der Europäischen Union.
Kosten der Lieferung
Österreich und Deutschland
Die entstehenden Versandkosten werden bei TTOOLS durch Kombination verschiedener Merkmale wie z.B.: Größe, Gewicht, Manipulationsaufwand (Sperrgut) und Entfernung berechnet. Der Preis der Versandkosten wird für jeden Artikel beim Bestellvorgang und nach Abschluss der Bestellung angezeigt.
EU
Paketversand: auf Anfrage
Spedition: auf Anfrage
Lieferung durch unsere eigenen Lieferanten:
Bei Lieferung erfolgt die Zustellung bis zur Bordsteinkante. Der Kunde hat für Zugänglichkeit des Lieferortes Sorge zu tragen. Im Falle einer unzustellbaren Lieferung müssen wir die entstandenen Kosten für weitere Zustellversuche weiterverrechnen.
Im Falle einer Rücksendung kontaktieren Sie bitte unbedingt vorab unseren Kundendienst. Rücksendungen an unsere Büroadresse können weder entgegengenommen, noch vergütet werden.
Die Frist ist gewahrt, wenn Sie die Waren vor Ablauf der Frist von vierzehn Tagen absenden. Sie tragen die unmittelbaren Kosten der Rücksendung der Waren. Im Falle von Großgeräten und nicht paketversandfähigen Waren, kontaktieren Sie bitte vor der Rücksendung den Kundendienst von Ttools unter [email protected] oder unter der Telefonnummer +43 (0) 1 321 0017, damit die Rücksendung organisiert werden kann. Die Kosten für die Rücksendung der Ware sind von Ihnen zu tragen bzw. zu ersetzen. Darunter sind die Transportkosten zu verstehen und zwar auch dann, wenn die Zustellung gratis erfolgte. Ttools ist dabei immer bemüht den für den Kunden günstigsten Rücktransport zu organisieren.
Haben Sie Fragen, die unsere Lieferservice Abteilung nicht beantworten konnte?
Dann können Sie uns telefonisch von MO-DO zwischen 7:30 bis 18:00 Uhr, und FR von 7:30 bis 15:00 unter der Tel. Nummer +43 (0) 1 321 0017 erreichen. Gerne können Sie uns eine E-Mail an [email protected] senden.
Ähnliche Produkte
Bernardo Spannfutter Planscheiben-Segmente groß f. Spannfutter M 70
Bernardo Spannfutter Planscheiben-Segmente klein f. Spannfutter M 95
Bernardo Zubehör für Drehmaschine Planscheibe 100 mm für Hobby 500

Rezensionen
Es gibt noch keine Rezensionen.