Startseite » Shop » Metallbearbeitung » Drehmaschinen » Drehbankzubehör » Planscheibe » Bernardo Planscheibe Planscheibe K72-200/D4
Bernardo Planscheibe 160/D4 -1
Bernardo Planscheibe Planscheibe 160/D4 Statt: Ursprünglicher Preis war: 330,20 €Preis: Aktueller Preis ist: 287,02 €. inkl. MwSt
Zurück zu den Produkten
Bernardo Planscheibe K72-200/D5 -1
Bernardo Planscheibe Planscheibe K72-200/D5 Statt: Ursprünglicher Preis war: 337,20 €Preis: Aktueller Preis ist: 306,29 €. inkl. MwSt

Bernardo Planscheibe Planscheibe K72-200/D4

Statt: Ursprünglicher Preis war: 337,20 €Preis: Aktueller Preis ist: 306,29 €. inkl. MwSt

✓ Vierbacken-Planscheibe in Gussausführung

✓ Mit Camlock-Direktaufnahme nach DIN 55029

✓ Vier einzeln verstellbare Spannbacken

✓ Ab 300 mm Durchmesser mit T-Nuten

✓ Inklusive 1 Satz harte Backen

Nicht vorrätig

Aktivieren Sie die "Kaufglocke": Lassen Sie sich benachrichtigen, sobald das Produkt wieder verfügbar ist. Bitte geben Sie Ihre E-Mail-Adresse ein.

Artikelnummer: 9009468026714 Kategorie:
Sonstiges: Weitere Fragen und Wünsche zum Produkt durch Klick auf ❶ oder ❷ formulieren.

Beschreibung

Bernardo Planscheibe K72-200/D4

Diese Vierbacken-Planscheibe in Gussausführung kommt mit Camlock-Direktaufnahme nach DIN 55029 und hat eine Futtergröße von 200/D4. Sie hat einen Durchmesser von 200 mm, einen Kegel von 4 und eine maximale Drehzahl von 1440 U/min. Sie ist geeignet zum Spannen von asymmetrischen und rechteckigen Werkstücken auf Drehmaschinen und wiegt etwa 15 kg.

Eigenschaften Bernardo Planscheibe K72-200/D4

Ausführung:

  • Vierbacken-Planscheibe in Gussausführung
  • Mit Camlock-Direktaufnahme nach DIN 55029
  • Vier einzeln verstellbare Spannbacken
  • Ab einem Durchmesser von 300 mm sind T-Nuten eingefräst
  • Inklusive 1 Satz harte, einteilige Backen

 

Anwendungsbereich:

  • Geeignet zum Spannen von asymmetrischen und rechteckigen Werkstücken auf Drehmaschinen

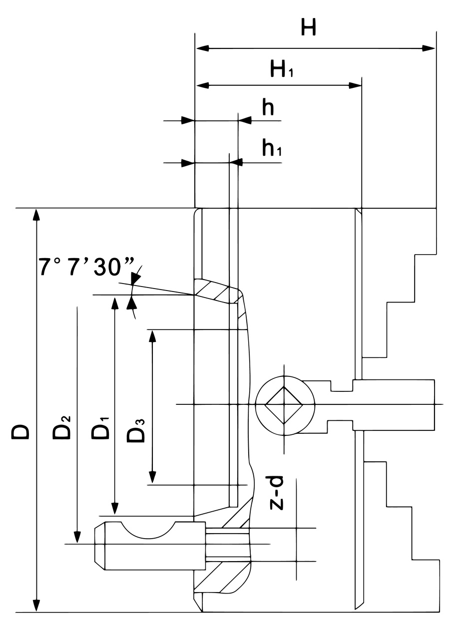
Technische Spezifikationen Bernardo Planscheibe K72-200/D4

Futtergröße

200/D4

D – Durchmesser

200 mm

Kegel

4

D1 (max.)

63,51 mm

D2

82,6 mm

D3

56 mm

H1

75 mm

Max. Drehzahl

1440 U/min

Gewicht ca.

15 kg

Zahlung & Versand

Lieferbedingungen

Nach Erhalt der Bestellung wird Ihre Bestellung sofort von unserem Team bearbeitet.  Bei einer Bestellung im Onlineshop können Sie die Lieferung an eine von Ihnen genannte Adresse auswählen. Derzeit liefern wir nur innerhalb der Europäischen Union.

Kosten der Lieferung


Österreich und Deutschland

Die entstehenden Versandkosten werden bei TTOOLS durch Kombination verschiedener Merkmale wie z.B.: Größe, Gewicht, Manipulationsaufwand (Sperrgut) und Entfernung berechnet. Der Preis der Versandkosten wird für jeden Artikel beim Bestellvorgang und nach Abschluss der Bestellung angezeigt.


EU

Paketversand: auf Anfrage

Spedition: auf Anfrage


Lieferung durch unsere eigenen Lieferanten:

Bei Lieferung erfolgt die Zustellung bis zur Bordsteinkante.  Der Kunde hat für Zugänglichkeit des Lieferortes Sorge zu tragen. Im Falle einer unzustellbaren Lieferung müssen wir die entstandenen Kosten für weitere Zustellversuche weiterverrechnen.

Im Falle einer Rücksendung kontaktieren Sie bitte unbedingt vorab unseren Kundendienst. Rücksendungen an unsere Büroadresse können weder entgegengenommen, noch vergütet werden.

 

Die Frist ist gewahrt, wenn Sie die Waren vor Ablauf der Frist von vierzehn Tagen absenden. Sie tragen die unmittelbaren Kosten der Rücksendung der Waren. Im Falle von Großgeräten und nicht paketversandfähigen Waren, kontaktieren Sie bitte vor der Rücksendung den Kundendienst von Ttools unter office@ttools.at oder unter der Telefonnummer +43 (0) 1 321 0017, damit die Rücksendung organisiert werden kann. Die Kosten für die Rücksendung der Ware sind von Ihnen zu tragen bzw. zu ersetzen. Darunter sind die Transportkosten zu verstehen und zwar auch dann, wenn die Zustellung gratis erfolgte. Ttools ist dabei immer bemüht den für den Kunden günstigsten Rücktransport zu organisieren.

Haben Sie Fragen, die unsere Lieferservice Abteilung nicht beantworten konnte?

Dann können Sie uns telefonisch von MO-DO zwischen 7:30 bis 18:00 Uhr, und FR von 7:30 bis 15:00 unter der Tel. Nummer +43 (0) 1 321 0017  erreichen. Gerne können Sie uns eine E-Mail an office@ttools.at senden.

Rezensionen

Es gibt noch keine Rezensionen.

Schreibe die erste Rezension für „Bernardo Planscheibe Planscheibe K72-200/D4“

Deine E-Mail-Adresse wird nicht veröffentlicht. Erforderliche Felder sind mit * markiert